Van bướm tay gạt là gì?

Van bướm tay gạt (Butterfly Valve with Lever Handle) là một thiết bị cơ học điều tiết, cách ly dòng lưu chất, vận hành bằng tay thông qua cần gạt (lever). Đây là loại van thường được sử dụng trong các hệ thống đường ống có yêu cầu đóng/mở nhanh và dễ dàng, đặc biệt ở các ứng dụng có áp lực và lưu lượng vừa phải. Cơ chế hoạt động đơn giản dựa trên nguyên lý xoay góc 90 độ của đĩa van giúp điều tiết hoặc ngăn dòng lưu chất chảy qua đường ống.
Loại van này có thiết kế nhỏ gọn, trọng lượng nhẹ hơn so với các dòng van khác như van cổng hay van cầu, do đó dễ dàng lắp đặt ở những vị trí có không gian hạn chế hoặc trên cao. Việc thao tác bằng tay gạt giúp người vận hành dễ kiểm soát trạng thái đóng/mở của van mà không cần sử dụng hệ thống điều khiển tự động hay điện – khí nén.
Cấu tạo chi tiết của van bướm tay gạt

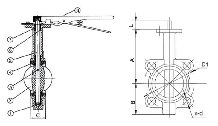
Van bướm tay gạt được cấu thành từ nhiều bộ phận cơ khí, phối hợp để đảm bảo hoạt động chính xác, kín khít và bền bỉ. Cụ thể:
- Thân van (Body): Là phần khung chính của van, thường được đúc từ gang cầu, gang xám, inox hoặc thép carbon, tùy vào môi trường sử dụng. Thân van có nhiệm vụ bảo vệ các chi tiết bên trong, đồng thời kết nối với đường ống bằng kiểu lắp wafer (kẹp giữa hai mặt bích) hoặc lug (bắt bu lông xiên qua lỗ trên thân van).
- Đĩa van (Disc): Là bộ phận điều tiết dòng chảy, có hình dạng giống cánh bướm (do đó gọi là van bướm), quay quanh trục để mở hoặc đóng dòng chất lỏng. Đĩa van có thể được chế tạo từ inox, gang mạ niken, hoặc thép không gỉ tùy ứng dụng và yêu cầu về độ bền, chống ăn mòn.
- Trục van (Stem/Shaft): Trục liên kết giữa đĩa van và tay gạt, truyền chuyển động từ tay gạt xuống đĩa để thực hiện thao tác đóng/mở. Trục thường được làm từ thép hợp kim có độ cứng cao.
- Tay gạt (Handle): Bộ phận điều khiển bằng tay của van, người dùng chỉ cần xoay tay gạt một góc 90 độ để chuyển trạng thái van từ đóng sang mở và ngược lại. Tay gạt thường được tích hợp cơ cấu khóa định vị tại nhiều vị trí giúp người vận hành cố định trạng thái van khi cần.
- Gioăng làm kín (Seat/Gasket): Làm bằng các vật liệu đàn hồi như EPDM, NBR hoặc PTFE (Teflon), có chức năng tạo độ kín, tránh rò rỉ lưu chất khi van đóng. Chất liệu của gioăng sẽ phụ thuộc vào loại lưu chất (nước, hóa chất, dầu…) và nhiệt độ làm việc.
Nguyên lý hoạt động của van bướm tay gạt
Nguyên lý hoạt động của van bướm tay gạt rất trực quan: Khi người vận hành tác động lực quay vào tay gạt, lực này truyền qua trục và làm quay đĩa van. Khi đĩa quay song song với hướng dòng chảy, van ở trạng thái mở hoàn toàn và lưu chất đi qua với trở lực thấp. Khi đĩa quay vuông góc với dòng chảy, van đóng hoàn toàn, chặn hoàn toàn dòng lưu chất.
Ngoài hai trạng thái mở và đóng hoàn toàn, van cũng có thể được điều chỉnh mở một phần để điều tiết lưu lượng. Tuy nhiên, với dạng tay gạt, việc điều tiết này chỉ chính xác trong giới hạn nhất định (thường chia theo các rãnh định vị có sẵn trên tay gạt, ví dụ 0%, 25%, 50%, 75%, 100%).
Ưu điểm và nhược điểm
Ưu điểm nổi bật:
- Thiết kế đơn giản và nhỏ gọn: Giúp tiết kiệm không gian lắp đặt, dễ dàng vận chuyển và thi công tại công trường.
- Vận hành nhanh chóng: Chỉ cần một góc xoay 90 độ để đóng hoặc mở hoàn toàn van.
- Chi phí đầu tư thấp: So với van điều khiển điện hoặc khí nén, van bướm tay gạt có giá thành hợp lý, phù hợp với nhiều quy mô hệ thống.
- Bảo trì dễ dàng: Các bộ phận đơn giản, ít hư hỏng vặt, dễ tháo lắp và thay thế linh kiện.
- Đa dạng kích thước và vật liệu: Phù hợp với nhiều môi trường làm việc khác nhau, từ nước sạch, nước thải đến hóa chất nhẹ.
Nhược điểm:
- Không điều khiển tự động được: Phụ thuộc hoàn toàn vào thao tác thủ công của người vận hành.
- Giới hạn về áp lực và nhiệt độ: Không phù hợp cho các hệ thống áp lực cao hoặc nhiệt độ cực đoan.
- Không phù hợp cho dòng lưu chất có nhiều hạt rắn: Dễ gây mài mòn hoặc làm kẹt đĩa van.
- Không phù hợp cho hệ thống đường ống có đường kính lớn
Ứng dụng phổ biến trong công nghiệp và dân dụng
Van bướm tay gạt được ứng dụng rộng rãi trong nhiều lĩnh vực công nghiệp và dân dụng nhờ khả năng đóng/mở nhanh, độ bền cao và chi phí hợp lý:
- Ngành cấp thoát nước: Lắp trong các hệ thống phân phối nước sinh hoạt, xử lý nước thải, bơm hút nước sạch, v.v.
- Hệ thống phòng cháy chữa cháy (PCCC): Lắp trên đường ống dẫn nước chữa cháy, van bướm tay gạt cho phép đóng/mở nhanh khi cần khẩn cấp.
- Ngành thực phẩm và đồ uống: Sử dụng trong các dây chuyền rửa, chiết rót hoặc xử lý chất lỏng không ăn mòn.
- Ngành HVAC (hệ thống điều hòa thông gió): Van lắp trên đường ống cấp nước lạnh, nước nóng hoặc khí trong các tòa nhà.
- Nhà máy công nghiệp nhẹ: Dùng cho các hệ thống ống dẫn hóa chất nhẹ, dầu, dung môi hoặc khí nén có áp suất vừa phải.
Một số lỗi thường gặp và cách khắc phục
Trong quá trình sử dụng, chắc chắn không thể tránh khỏi việc gặp như hư hỏng, sự cố khiến van bướm tay gạt vận hành kém hiệu quả. Cần hiểu rõ các nguyên nhân này để kịp thời sửa chữa, khắc phục ngay khi có vấn đề, phòng tránh các sự cố nguy hiểm hơn có thể xuất hiện.
Cụ thể một số lỗi thường gặp ở Van bướm tay gạt và cách khắc phục như sau:
- Khô dầu nhớt hay chất bôi trơn: Có thể là nguyên nhân khiến cho cánh van, trục van hay cần điều khiển khó khăn hoạt động, khó xoay hoặc phát ra tiếng kêu. Cách xử lý là tra thêm các chất bôi trơn vào từng bộ phận.
- Lò xo bị long, gỉ hay giảm đàn hồi: Khiến cho cần tay điều khiển hoạt động kém hiệu quả, không gạt đúng vào răng cưa trên kim chỉ báo. Cần xem xét việc sửa hoặc thay thế lò xo, tùy tình trạng.
- Gioăng làm kín mất đàn hồi hoặc bị mài mòn, hư hỏng: Làm tăng nguy cơ lưu chất bị rò rỉ hoặc đĩa van vận hành kém hiệu quả. Cách xử lý đơn giản là cần thay gioăng mới cho van cánh bướm tay gạt.
- Đĩa van phát tiếng ồn: Có thể do thiếu chất bôi trơn hoặc do vặn ốc vít, bu lông chưa chắc chắn nên cần kiểm tra lại.
- Có dị vật trong đường ống: Bụi bẩn, tạp chất hay các dị vật trong đường ống chính là nguyên nhân làm hư hỏng đĩa van, không đóng kín van,… nên cần kiểm tra và vệ sinh trong và ngoài đã van thường xuyên.
- Lắp đặt sai các bộ phận hoặc chọn các phụ kiện không phù hợp: Sẽ làm giảm khả năng vận hành của van và tăng nguy cơ xảy ra các sự cố nên cần cực kỳ chú ý.
Các lưu ý khi lắp đặt van bướm tay gạt
Việc lắp đặt van bướm cần đúng kỹ thuật, đúng vị trí thì hệ thống mới hoạt động hiệu quả nhất. Do đó cần lưu ý một số vấn đề sau:
- Tham khảo kỹ hướng dẫn trước khi sử dụng hoặc nhờ các kỹ sư, người có chuyên môn thực hiện lắp đặt để đảm bảo an toàn và chính xác tuyệt đối
- Kiểm tra kỹ van trước khi lắp, không có bộ phận nào bị cong vênh hay hư hỏng, van vận hành dễ dàng.
- Khi lắp đặt cần để van bướm tay gạt để van mở ra 1 góc khoảng từ 20º đến 25º nhằm hạn chế nguy cơ gioăng làm kín bị biến dạng trong quá trình khi lắp van vào đường ống.
- Giữa van và mặt bích không dùng miếng đệm, và kích thước mặt bích phù hợp kích thước van.
- Van bướm có thể lắp theo phương thẳng đứng hoặc phương ngang nhưng vẫn cần cân nhắc hướng lắp đặt van để phù hợp vận hành.
Nếu bạn đang tìm kiếm một giải pháp van bướm tay gạt cho hệ thống của mình hoặc cần được tư vấn chi tiết hơn về dòng van này, đừng ngần ngại liên hệ Đại Nam để được hỗ trợ nhanh chóng và chuyên nghiệp.
CÔNG TY CỔ PHẦN KHOA HỌC CÔNG NGHIỆP ĐẠI NAM
Địa chỉ: Tầng 3, Tòa Nhà An Bình 1 , số 3 Trần Nguyên Đán, P. Định Công, Quận Hòang Mai, Hà Nội.
Hotline/ Zalo/ Viber: 0383478272
Email: thuhuyen@dainamco.vn
